

KUV1紫外探测器
环境温度过高时需要在探测器的前端加装三通连接管进行通冷风吹扫降温措施
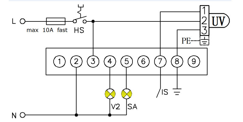
KUV1紫外探测器与TM681火焰检测控制器的连接
KUV1、KUV2探测器可以和燃烧控制器配合使用,实时对燃烧所产生的紫外光线进行探测。探测器具有反应速度快、使用寿命长、灵敏度高等特点,适于用各种燃烧器的火焰探测及控制。
技术参数
工作电源:220VAC 50/60HZ 峰值波长:210nm
光谱相应:190-290nm 使用寿命:10000小时
环境温度:-25~+80oC 重 量:300g
使用维护
1.由于各种气体、液体燃料在燃烧时,不断地挥发出污染物质,使探测器取光窗粘污变脏,影响探测器对火焰信号的接收,从而造成探测灵敏度的下降。为了保证探测器正常工作,必须定期擦拭探测器取光窗,使取光窗保持清洁透明。
2.为防止探测器发生误报警动作。每次使用探测器之前,必须先检测探测器是否能正常工作后再进行点火操作(点火时电极火花也会产生紫外线)。
检测的具体操作方法如下:
从燃烧器设备上拆下探测器,给探测器供电,启动点火控制器点火,用打火机点着火对准探测器,此时点火控制器的正常工作指示灯应亮,当熄灭打火机火焰后,在较短时间内控制器正常工作指示灯应熄灭。测试无误后,才可以给燃烧器进行供气(油)等正常点火操作,若发现探测器灵敏度已不能满足使用要求,应及时更换光敏管。
3.探测器的使用环境温度不能过高,环境温度过高时需要在探测器的前端加装三通连接管进行通冷风吹扫降温措施,通风能阻隔高温辐射,也能清洁如烟雾、水分等污物(如图)。
































