| 疏水调节阀尺寸:
|
产品型号
|
公称通径
|
主要外形尺寸
|
连接尺寸
|
|
长
|
宽
|
高
|
L1
|
L2
|
M
|
A-D
|
D1
|
D2
|
b
|
z-Φd
|
DN
|
B-D
|
D1
|
D2
|
b
|
Z-Φd
|
|
T41H-16C
|
40
|
460
|
540
|
964
|
160
|
240
|
385
|
145
|
110
|
85
|
18
|
4×18
|
40
|
145
|
110
|
85
|
18
|
4×18
|
|
50
|
160
|
125
|
100
|
20
|
4×18
|
|
80
|
195
|
160
|
135
|
22
|
8×18
|
|
100
|
215
|
180
|
155
|
25
|
8×18
|
|
150
|
470
|
560
|
980
|
280
|
240
|
210
|
30
|
8×23
|

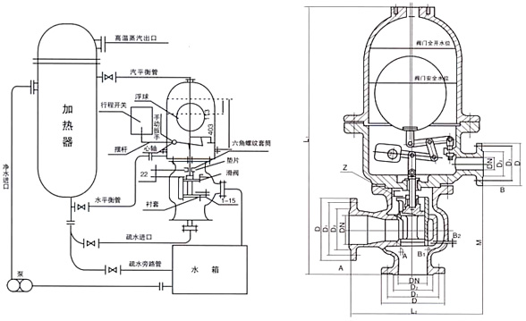
疏水调节阀特点:
1、此阀外形尺寸较大.适用于较大背压力且不会泄漏蒸汽,排出的凝结水是接近蒸汽压力的饱和水,故有利于提高本阀门的设备热效率和二次蒸汽利用的节能特点。
2、该阀随着凝结水液面上升,当浮球升到距罩盖底平面403mm时,阀门全开使冷凝结水大量排入水箱。当浮球下降 113毫米后.阀门全关.冷凝水不能流出,使浮球稳定的限制在113-403毫米的空间范围内变化.从而使阀门达到只能排放空气和水殛高温冷凝水,而阻止蒸汽泄漏的优越性。
3、本阀是利用凝结水液位的变化而使浮球上升和下降,也可以手柄操作.从而驱动下部的启闭装置.开启和关闭.实现排水阻气的功能。
疏水调节阀适用于电站、化工、制药、造纸等行业具有加热器的工业部门,用于除氧汽水箱水位的调节。有效控制加热器中的水量多少的必须设备。

上海首尔阀门有限公司主要产品有:球阀、蝶阀、闸阀、截止阀、止回阀、过滤器、阻火器、电磁阀、安全阀、调节阀、减压阀、疏水阀、呼吸阀、旋塞阀、柱塞阀、针型阀、放料阀、平衡阀、角座阀、隔膜阀、排气阀、排泥阀、排污阀、管夹阀、液压系列、水利控制阀;首尔阀门员工素质具有专业的技术和交流能力。本公司售后服务实现质量三包。
公司产品的用户涉及石油、化工、电力、冶金、制药、食品、水处理、市政给排水、天然气、造纸、电子工业、楼宇、机械设备配套等领域。
电话:021-51619110
手机:15300506632
地址:上海松江工业区荣乐东路390号
邮箱:
shouerfamen@126.com
shouerfamen@163.com
QQ:1042608475
|